
Da Slm8s103f3p6 shine 8-bit microcontrorer da Stommroeleclecronics, mashahuri saboda kyawun aikin da kuma hadewa mara kyau.Wannan karamin na'urar sanye take da na'urar-wuri mai hawa (SMD) salon tsari, gurɓataccen ci gaba da ƙirar da aka kera masana'antu ta amfani da fasahar-baki.Tare da mijin agogo 16 mzz, da stm8s103f3f3PF3 yana alfahari da robust I / o ~} ~ engending, tabbatar da ingantacciyar bayanai.Addininta mai zaman kansa mai zaman kansa, sanye take da tushen agogo mai zaman kansa da tsarin tsaro na agogo, yana ba da tabbacin ingantaccen aiki da kuma juriya game da yiwuwar rikice-rikice.
Ofaya daga cikin abubuwan da ke tsaye shine ƙwaƙwalwar Flash ɗinta, wanda ke ba da ajiya mara ma'ana don lambar da bayanai.Tare da kewayon ƙarfin aiki na ƙarfin aiki daga 2.95 V zuwa 5.5 v, wannan microcontroller yana da alaƙa da dacewa da aikace-aikace daban-daban.Bugu da ƙari, yana ba da kewayon yawan zafin jiki mai yawa -40 ° C zuwa 85 ° C, ya sanya ta dace da yanayin yanayin muhalli.
• MSP430G2353
• Pic16lf184444T


Yawan amfani da wutar lantarki: yana da ƙananan hanyoyin amfani da wutar lantarki da za a zaɓa daga ciki, da yanayin bacci, yanayin barci da kuma adana rayuwar batir.
Babban aiki: yana ɗaukar babban aiki Stm8 Core gine-gine, wanda ke ba da damar saurin aiwatar da hukuncin aiwatar da aikace-aikacenmu don aikace-aikacenmu.
Multicessationarin sadarwa da yawa: Yana tallafawa nau'ikan sadarwa iri-iri gami da SPI (Serial Peripheral ke dubawa), I2C da UART.Ta hanyar waɗannan musaya, yana iya sauƙaƙe sadarwa tare da na'urorin waje don samun ƙarin ayyuka da aikace-aikace.
Seripheres mai yawa: stm8s103f3f3F3PEFT3PS microconrrer albarkatu, gami da 16kb na ƙwaƙwalwa da 1kb na RAM, da kuma lokacin da aka saba amfani da fil, masumaitawa, da UART.Bambancin waɗannan ɓangarorin waɗannan sassan suna sa na'urar ta dace da yanayin aikace-aikacen aikace-aikace daban-daban kuma zasu iya biyan bukatun filaye daban daban da masana'antu.Ko dai yana sarrafawa masana'antu, gida mai wayo, ko tsarin da aka saka, STM8S10F3P6 na iya samar da tallafi.

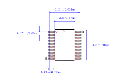
An tattara Stm8s103f3p6 a cikin bakin ciki girgiza kananan kunshin (TSSOP) kuma yana da fil 20.Jiki da kuma jigon karami sunada karami fiye da daidaitattun kayan soic na yau da kullun.Wani fasalin na hali na tsop shine samuwar fil a kusa da chipd cupped, wanda ya sa ya dace da hauhawar wayoyi akan kwaya ta amfani da fasahar SMT.Lokacin amfani da kunshin TSSOP, sigogin parasitic (fitowar fitarwa wanda manyan canje-canje da manyan canje-canje a yanzu) sun kasance karami, don haka ya dace da aikace-aikacen aikace-aikacen.Irin wannan kunshin ya fi dacewa don aiki da kuma yana da aminci mafi girma.
Kunshin TSSO ɗin yana da waɗannan sifofin:
• ƙananan ƙananan pining: pincing na gaba ɗaya yana gabaɗaya 0.5mm ko 0.65mm.Ta hanyar ƙirar katako na tagulla, ana iya sanya ƙarin na'urori a kan jirgin kewaye tare da yanki ɗaya da girma.
• Babban ikon aikace-aikacen: Ana iya amfani da shi zuwa filayen aikace-aikacen aikace-aikacen kamar microcontrolers, dsps, kwakwalwan kwamfuta, kwakwalwan kwamfuta, kwakwalwan kwamfuta, da kwakwalwan kwamfuta.
• Babban adadin PIN: Yawan fil na kusa da 20 zuwa 6 zuwa 64, wanda zai iya biyan wasu bukatun haɗin kan guntu.
• kananan girman kunshin: idan aka kwatanta da fakitin kananan fall (don haka), girman kunshin shi yana da matukar bakin ciki, da kuma girma shine dacewa, sanya shi da dace da farfado da ketare hade da da'irori.
• Babban aiki: Yana ɗaukar fasahar ta ƙasa, tana da kyawawan halaye da juriya na lalata, kuma zai iya haɗuwa da buƙatu na musamman kamar su babban saurin, miniamun da sauransu.
Sai dai idan an ƙayyade, duk voltages ana maganarsa zuwa VSS.
An ba da tabbacin mafi ƙarancin ƙimar da mafi ƙarancin yanayi a ƙarƙashin yanayin mawuyacin yanayi, wanda ke tattare da yanayin zafi, da molovencies.Waɗannan tabbacin an kafa su ta hanyar manyan gwaje-gwaje na samarwa, an gudanar da su a wani yanayi na yanayi, 25 ° C da Tamax (kamar yadda aka zaɓi da kewayon zazzabi).
Dabi'u dangane da yanayin halayyar halaye, da / ko halaye na fasaha a cikin teburin tebur kuma basu da gwajin samarwa.Game da halaye, mafi karancin da kuma matsakaiciya da yawa na kimantawa da nuna darajar ma'ana tare da kewayon daidaitawa (ma'anar ± 3σ 40σ 3σ 3σ 3σ 3σ 3σ 3σ 3σ 3σ 3σ 3σ 3σ 3σ 3σ 3σ 3σ 3σ 3σ 3σ 3σ 3σ 3σ 3σ 3σ 3σ 3σ 3σ 3σ 3σ 3σ 3σ 3σ 3σ 3σ 3σ 3σ 3σ 3σ 40
Sai dai in an bayyane sai dai a bayyane, an kafa takamaiman bayanai tare da Ta = 25 ° C, v. Waɗannan dabi'un da aka ba da waɗannan ƙa'idodin kawai kamar gwajin ƙira.
Halittar daidaito na ƙimar AdC an kafa ta hanyar halayyar saiti daga daidaitaccen yanki da yawa fadin cikakkiyar yawan zafin jiki.A cikin wannan mahallin, kashi 95% na na'urorin suna nuna kuskure a tsakanin ƙimar da aka ƙayyade (ma'anar ± 2σ).
Sai dai in an nuna takamaiman bayani, duk madaidaitan zane-zane ne kawai kamar nassoshi na ƙira kuma ba su da batun gwaji.
Ya wuce ƙayyadaddun ƙayyadadden matakan ƙididdigar na iya haifar da lalacewar dindindin ga na'urar.Waɗannan rarar suna nuna iyakar damuwa da na'urar na iya dawwama, kuma ba a nuna cewa na'urar za ta yi aiki da kyau a ƙarƙashin waɗannan yanayin ba.Fitar da yanayi a ko kusa da matsakaicin ma'aunin na iya tasiri ga amincin na'urar.
Profile Ofishin Jakadancin na na'urar, wanda ya bayyana yanayin aikace-aikacen sa, a kan daidaitawar cancantar cancantar Jedee, tare da tsoffin bayanan mishan da ke kan buƙata.
Don samun kwanciyar hankali ga mai yin rijistar ta farko, kyamar ta waje ce tazara Ceett ya kamata a haɗa zuwa ga VCOP PIN PIN.Yana da mahimmanci don tabbatar da cewa jerin shigarwar ta ci gaba da 15 nh.
Ana auna amfani da ake amfani da ita yanzu kamar yadda aka nuna a hoto mai zuwa.

Jimlar wadatar da tau
An sanya Mcu ƙarƙashin waɗannan yanayi masu zuwa:
• Duk tushen da aka kashe (agogon agogo ya tsaya) sai idan an ambaci a bayyane.
• DUK I / O fil a cikin Input Yanayin tare da ƙima mai kyau a VDD ko VSS (Babu kaya)
Batun gaba daya ga yanayin aiki na VDD da Ta.

Stm8s103f3P6 yana da fil 20, sunayen fil ta da ayyukansa sune kamar haka:
PIN1 (Pd4 / Beep / TIM2_ Ch1 / UART1 _ck): Port D4
PIN2 (PD5 / AIN5 / UART1 _tx): Port D5
PIN3 (PD6 / AIN6 / UART1 _rx): Port D6
Pin4 (nst): Sake saiti
PIN5 (PA1 / Oscin): Port A1
PIN6 (PA2 / OSCOT): Port A2
PIN7 (VSS): Digital ƙasa
PIN8 (VCAP): 1.8 V
PIN9 (VDD): samar da wutar lantarki ta dijital
PIN10 (PA3 / Tim2_ ch3 [Spi_ Nss]: Port A3
Pin11 (PB5 / I2C_ SDA [TIM1_ BKIN]: Port B5
PIN12 (PB4 / I2C_ SCL): Port B4
PIN13 (PC3 / TIM1_CH3 [TLI] [TIM1_ Ch1n]): Port C3
PIN14 (PC4 / Clk_cco / Tim1_ ch4 / AIN2 / [TIT1_ Ch2n]): Port C4
PIN15 (PC5 / Spi_sck [TIM2_ Ch1]: Port C5
PIN16 (PC6 / Spi_mosi [Tim1_ Ch1]: Port C6
PIN17 (PC7 / Spi_Miso [Tim1_ CH2]: Port C7
PIN18 (PD1 / iyo): Port D1
PIN19 (PD2 / AIN3 / [TIM2_ CH3]: Port D2
PIN2 (PD3 / AIN4 / TIM2_ CH2 / ADC_ ETR): Port D3
Kamar yadda aka nuna a adadi da ke sama, guntu2F3P6F3P6 yana da 16 I / o, wanda za'a iya amfani dashi don nau'ikan iri, da sauransu i / o / o fil na i / oAmfani da shi azaman pins don karanta sigina na waje ko a matsayin pins pins don aika sigina zuwa na'urorin waje.Bugu da kari, kowane I / O Ana iya sanya kowane I / O / O / O / O / O / O / O / O / O / O / O / O
• Ana iya amfani da tsarin atomatik: ana iya amfani da wannan microcontronler na atomatik kamar labulen lantarki, tsarin sarrafawa, sarrafa zazzabi da iko.
Iot (Intanet na Abubuwa) Aikace-aikacen: Idan muna buƙatar haɓaka na'urorin iot, ana iya amfani dashi azaman mai sarrafawa don haɗa da sarrafa na'urori masu jarida da kuma hanyoyin sadarwa.
• Na'urorin lantarki na sirri: Amfani da kyamarorin dijital, MP4 'yan wasan MP4, Consoles na lantarki, da sauransu.
• kayan lantarki: amfani da kayan aikin lantarki daban-daban
, kamar kayan wasa na lantarki, iko na nesa, ƙaramin ƙididdiga, da sauransu.
• Filin Masana'antu: Amfani da shi a PLC, Masu Gudanar da masana'antu, tsari na sarrafa kansa da kayan aikin sarrafawa ta atomatik, da sauransu.
• Sayen bayanai da Sensor ke dubawa: wanda aka yi amfani da shi don kula da bayanai ko kuma haɗa bayanan sirri daban-daban kamar masu son kai, firikwensin zazzabi, da hikimar zazzabi.
• Kundin sarrafa sarrafawa: Amfani da tsarin sarrafa kayan aiki iri-iri, kamar kayan aikin gida, kayan aikin wutar lantarki, da sauransu sun isa ga ayyuka masu sau 20.
Stm8s103F3PEF3P6 shine Chipontronler Chiptronlor da Stommroelecle.Yana cikin dangin gidan StM8 na 8-Bit Micrrocontroler kuma ana amfani dashi sosai a cikin tsarin da aka saka daban-daban da aikace-aikacen iot.
STM8S103F3PTERK3PEF3PEF3P6 BIGOM ROM 640 Bit ROM, 10-bit 5-Channesels ADC, 1Kb Ram da tare da girman ƙwaƙwalwar ƙwaƙwalwa na 8KB.
We can replace the STM8S103F3P6 with the MSP430G2353, PIC16LF18444T, STM8S103F3P3, STM8S103F3P3TR or STM8S103F3P6TR.
Ee, an tsara StM8S103F3P6 tare da fasali mai ƙarfi kuma ana iya amfani dashi a cikin aikace-aikacen baturi ko ƙarancin wuta inda yake da mahimmanci.
Wasu fasali na mabuɗin STM8S103F3PEF3P6 sun haɗa da GPIO (fitowar manufa) Pincesschformation, U2c UNTRETERSTERTERTER) Sadarwa, SPI (Serverritter) Sadarwa, SPIRSTERTER Screat
GAME DA MU
Gamsuwa da abokin ciniki kowane lokaci.Amincewar juna da bukatun juna.
Bayanin Fasaha na Ciyarwar Ciyar Lithumum CR2354
2024-08-02
Mara-Kafa zuwa Athaga328-PU Microcontroller
2024-08-02
Imel: Info@ariat-tech.comHK TEL: +852 30501966ADD: Rm 2703 27F Ho King Comm Centre 2-16,
Fa Yuen St MongKok Kowloon, Hong Kong.